MT-Baustoffe Schmetterling
zurück

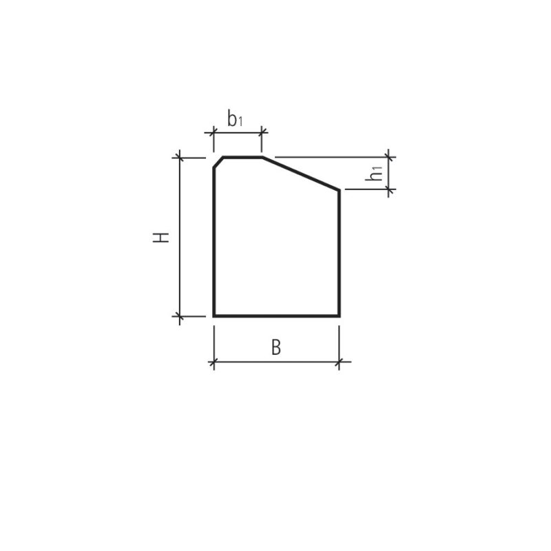
FINALGO Vakuum Trottoir-Randsteine

gefast
RB12 / RB15

Trottoirs (Bürgersteige) werden mittels Randstein von Verkehrswegen in der Regel höhenversetzt abgetrennt. FINALGO Vakuum Randsteine aus Hartbeton bestehend, sind die perfekte Alternative zu herkömmlichen Naturstein.

EINSATZGEBIETE:

  • Randstein zwischen Geh- und Fahrbereich
  • Übergang zwischen verschiedenen Oberflächenarten
  • Abgrenzung zwischen Parkplätzen und Grünflächen
  • Errichtung von Rabatten in Parkplatzanlagen

FINALGO Vakuum Randsteine werden nach Richlinien gefertigt. Es sind 3 Bauhöhen erhältlich, ergänzend Einfahrtssteine sowie Anschlusssteine links und rechts.

Gestrahlte Ausführung: Sichtfläche und Oberfläche

Farbpalette
grau, unbehandelt
grau, gestrahlt

Die Abbildungen können aufgrund verschiedener Bildschirmdarstellungen vom Original abweichen. Bitte verlangen Sie Handmuster.

Downloads
Qualitätsmerkmale
  • höhere Druck-/ Abriebfestigkeit
  • erhöhte Frost-/ Tausalzbeständigkeit
  • widerstandsfähiger gegen Benzin, Oel und andere aggressive Medien
  • unempfindlich gegen mechanische Beanspruchung
Artikelliste
FINALGO Vakuum Randsteine B 12 cm
Artikel-Nr.
Spezifikation
L cm
B cm
H cm
Stk. / Pal.
Kg. / Stk.
Status
CHF
Offertanfrage
460012.033019
grau, unbehandelt
33
12/9
19/10
54
17
40.80 / m1
460012.033025
grau, unbehandelt
33
12/9
25/10
54
23
45.00 / m1
460012.033035
grau, unbehandelt
33
12/9
35/10
27
32
68.00 / m1
460012.050019
grau, unbehandelt
50
12/9
19/10
36
26
34.20 / m1
460012.050025
grau, unbehandelt
50
12/9
25/10
36
35
36.40 / m1
460012.050035
grau, unbehandelt
50
12/9
35/10
18
48
56.00 / m1
460012.100019
grau, unbehandelt
100
12/9
19/10
18
53
27.80 / m1
460012.100025
grau, unbehandelt
100
12/9
25/10
18
70
27.80 / m1
460012.100035
grau, unbehandelt
100
12/9
35/10
9
97
43.30 / m1
462012.033019
grau, gestrahlt
33
12/9
19/10
54
17
55.50 / m1
462012.033025
grau, gestrahlt
33
12/9
25/10
54
23
60.00 / m1
462012.033035
grau, gestrahlt
33
12/9
35/10
27
32
88.00 / m1
462012.050019
grau, gestrahlt
50
12/9
19/10
36
26
48.00 / m1
462012.050025
grau, gestrahlt
50
12/9
25/10
36
35
50.50 / m1
462012.050035
grau, gestrahlt
50
12/9
35/10
19
48
76.00 / m1
462012.100019
grau, gestrahlt
100
12/9
19/10
18
53
41.50 / m1
462012.100025
grau, gestrahlt
100
12/9
25/10
18
70
41.50 / m1
462012.100035
grau, gestrahlt
100
12/9
35/10
9
97
64.00 / m1
FINALGO Vakuum Randsteine B 15 cm
Artikel-Nr.
Spezifikation
L cm
B cm
H cm
Stk. / Pal.
Kg. / Stk.
Status
CHF
Offertanfrage
460015.033018
grau, unbehandelt
33
15/12
19/10
42
22
45.40 / m1
460015.033025
grau, unbehandelt
33
15/12
25/10
42
29
52.50 / m1
460015.033035
grau, unbehandelt
33
15/12
35/10
21
41
78.50 / m1
460015.050018
grau, unbehandelt
50
15/12
19/10
28
34
36.70 / m1
460015.050025
grau, unbehandelt
50
15/12
25/10
28
44
39.80 / m1
460015.050035
grau, unbehandelt
50
15/12
35/10
14
62
62.50 / m1
460015.100018
grau, unbehandelt
100
15/12
19/10
14
68
28.00 / m1
460015.100025
grau, unbehandelt
100
15/12
25/10
14
89
28.00 / m1
460015.100035
grau, unbehandelt
100
15/12
35/10
7
125
44.50 / m1
462015.033018
grau, gestrahlt
33
15/12
19/10
42
22
61.50 / m1
462015.033025
grau, gestrahlt
33
15/12
25/10
42
29
67.00 / m1
462015.033035
grau, gestrahlt
33
15/12
35/10
21
41
98.50 / m1
462015.050018
grau, gestrahlt
50
15/12
19/10
28
34
51.50 / m1
462015.050025
grau, gestrahlt
50
15/12
25/10
28
44
55.50 / m1
462015.050035
grau, gestrahlt
50
15/12
35/10
14
62
82.00 / m1
462015.100018
grau, gestrahlt
100
15/12
19/10
14
68
42.80 / m1
462015.100025
grau, gestrahlt
100
15/12
25/10
14
89
42.80 / m1
462015.100035
grau, gestrahlt
100
15/12
35/10
7
125
65.00 / m1
FINALGO Vakuum Einfahrtsrandsteine B 15 cm
Artikel-Nr.
Spezifikation
L cm
B cm
H cm
Stk. / Pal.
Kg. / Stk.
Status
CHF
Offertanfrage
460015.033119
grau, unbehandelt
33
15/ 5
19/ 4
42
22
45.90 / m1
460015.050119
grau, unbehandelt
50
15/ 5
19/ 4
28
33
36.90 / m1
460015.100119
grau, unbehandelt
100
15/ 5
19/ 4
14
66
28.00 / m1
462015.033119
grau, gestrahlt
33
15/ 5
19/ 4
42
22
67.00 / m1
462015.050119
grau, gestrahlt
50
15/ 5
19/ 4
28
33
58.50 / m1
462015.100119
grau, gestrahlt
100
15/ 5
19/ 4
14
66
48.40 / m1
FINALGO Vakuum Anschlussrandsteine B 15 cm
Artikel-Nr.
Spezifikation
L cm
B cm
H cm
Kg. / Stk.
Status
CHF
Offertanfrage
460015.100125
links, grau, unbehandelt
100
15/12
25/15
78
48.40 / m1
460015.100225
rechts, grau, unbehandelt
100
15/12
25/15
78
48.40 / m1
462015.100125
links, grau, gestrahlt
100
15/12
25/15
78
74.00 / m1
462015.100225
rechts, grau, gestrahlt
100
15/12
25/15
78
74.00 / m1
Artikelliste
FINALGO Vakuum Randsteine B 12 cm
Artikel-Nr.
Spezifikation
L cm
B cm
H cm
Stk. / Pal.
Kg. / Stk.
Status
CHF
Offertanfrage
460012.033019
grau, unbehandelt
33
12/9
19/10
54
17
40.80 / m1
460012.033025
grau, unbehandelt
33
12/9
25/10
54
23
45.00 / m1
460012.033035
grau, unbehandelt
33
12/9
35/10
27
32
68.00 / m1
460012.050019
grau, unbehandelt
50
12/9
19/10
36
26
34.20 / m1
460012.050025
grau, unbehandelt
50
12/9
25/10
36
35
36.40 / m1
460012.050035
grau, unbehandelt
50
12/9
35/10
18
48
56.00 / m1
460012.100019
grau, unbehandelt
100
12/9
19/10
18
53
27.80 / m1
460012.100025
grau, unbehandelt
100
12/9
25/10
18
70
27.80 / m1
460012.100035
grau, unbehandelt
100
12/9
35/10
9
97
43.30 / m1
462012.033019
grau, gestrahlt
33
12/9
19/10
54
17
55.50 / m1
462012.033025
grau, gestrahlt
33
12/9
25/10
54
23
60.00 / m1
462012.033035
grau, gestrahlt
33
12/9
35/10
27
32
88.00 / m1
462012.050019
grau, gestrahlt
50
12/9
19/10
36
26
48.00 / m1
462012.050025
grau, gestrahlt
50
12/9
25/10
36
35
50.50 / m1
462012.050035
grau, gestrahlt
50
12/9
35/10
19
48
76.00 / m1
462012.100019
grau, gestrahlt
100
12/9
19/10
18
53
41.50 / m1
462012.100025
grau, gestrahlt
100
12/9
25/10
18
70
41.50 / m1
462012.100035
grau, gestrahlt
100
12/9
35/10
9
97
64.00 / m1
FINALGO Vakuum Randsteine B 15 cm
Artikel-Nr.
Spezifikation
L cm
B cm
H cm
Stk. / Pal.
Kg. / Stk.
Status
CHF
Offertanfrage
460015.033018
grau, unbehandelt
33
15/12
19/10
42
22
45.40 / m1
460015.033025
grau, unbehandelt
33
15/12
25/10
42
29
52.50 / m1
460015.033035
grau, unbehandelt
33
15/12
35/10
21
41
78.50 / m1
460015.050018
grau, unbehandelt
50
15/12
19/10
28
34
36.70 / m1
460015.050025
grau, unbehandelt
50
15/12
25/10
28
44
39.80 / m1
460015.050035
grau, unbehandelt
50
15/12
35/10
14
62
62.50 / m1
460015.100018
grau, unbehandelt
100
15/12
19/10
14
68
28.00 / m1
460015.100025
grau, unbehandelt
100
15/12
25/10
14
89
28.00 / m1
460015.100035
grau, unbehandelt
100
15/12
35/10
7
125
44.50 / m1
462015.033018
grau, gestrahlt
33
15/12
19/10
42
22
61.50 / m1
462015.033025
grau, gestrahlt
33
15/12
25/10
42
29
67.00 / m1
462015.033035
grau, gestrahlt
33
15/12
35/10
21
41
98.50 / m1
462015.050018
grau, gestrahlt
50
15/12
19/10
28
34
51.50 / m1
462015.050025
grau, gestrahlt
50
15/12
25/10
28
44
55.50 / m1
462015.050035
grau, gestrahlt
50
15/12
35/10
14
62
82.00 / m1
462015.100018
grau, gestrahlt
100
15/12
19/10
14
68
42.80 / m1
462015.100025
grau, gestrahlt
100
15/12
25/10
14
89
42.80 / m1
462015.100035
grau, gestrahlt
100
15/12
35/10
7
125
65.00 / m1
FINALGO Vakuum Einfahrtsrandsteine B 15 cm
Artikel-Nr.
Spezifikation
L cm
B cm
H cm
Stk. / Pal.
Kg. / Stk.
Status
CHF
Offertanfrage
460015.033119
grau, unbehandelt
33
15/ 5
19/ 4
42
22
45.90 / m1
460015.050119
grau, unbehandelt
50
15/ 5
19/ 4
28
33
36.90 / m1
460015.100119
grau, unbehandelt
100
15/ 5
19/ 4
14
66
28.00 / m1
462015.033119
grau, gestrahlt
33
15/ 5
19/ 4
42
22
67.00 / m1
462015.050119
grau, gestrahlt
50
15/ 5
19/ 4
28
33
58.50 / m1
462015.100119
grau, gestrahlt
100
15/ 5
19/ 4
14
66
48.40 / m1
FINALGO Vakuum Anschlussrandsteine B 15 cm
Artikel-Nr.
Spezifikation
L cm
B cm
H cm
Kg. / Stk.
Status
CHF
Offertanfrage
460015.100125
links, grau, unbehandelt
100
15/12
25/15
78
48.40 / m1
460015.100225
rechts, grau, unbehandelt
100
15/12
25/15
78
48.40 / m1
462015.100125
links, grau, gestrahlt
100
15/12
25/15
78
74.00 / m1
462015.100225
rechts, grau, gestrahlt
100
15/12
25/15
78
74.00 / m1
Auslandseinsätze und EntsendungBademöbel Region Sursee LuzernBordsteineBrandabschottungenBrandschutzdeckenCreanetDeckensegel AkustikErdsondenbohrung, Brunnenbohrung, SonderverlängerungenFitLine,Powercocktail,RestorateFull Service Marketing Agentur Geberit Aquaclean Dusch WC Kaminfeger Koch :: Kaminfaegerdienst, Feuerungskontrolle, BrandschutzKernbohrexpress, KernbohrungenKleiderschrank nach MassMessestand & Point of SalePermanent Make UpPermanent Make Up - Augen Physiotherm InfrarotkabinenPrivate InnenpoolsRandabschlüsse CreabetonRandabschlüsse Creabeton Plattenbeläge Betonplatten Creabeton Treppenstufen BlockstufenTrennwandsystemeVilleroy & Boch WhirlpoolsWebagentur Luzern SurseeWerbeagentur für Digital und Branding